产品中心
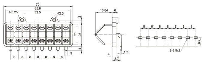
汽车功放连接端子系列>接线柱> JSZ8-94

JSZ8-94



中杰电子(广州)
© 2014 版权所有
粤ICP备15042159号-1